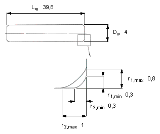
軸承RN-4x39.8 BF/G2詳細說明
我司是SKF軸承特約合作伙伴,專業(yè)銷售SKF RN-4x39.8BF/G2軸承,為客戶提供尺寸圖紙、基本參數、批量采購報價或更多滾針軸承產品目錄!我們長期庫存SKF RN-4x39.8 BF/G2軸承,我司在保稅區(qū)設有大型倉庫,存量大,品種齊全,公司密切與國外廠商合作,為客戶提供選型和最佳應用方案!咨詢熱線:
相關型號
推薦型號
應用行業(yè)
SKF HK2012軸承廣泛應用于制冷、換熱設備、農業(yè)機械、家用電器、金融專用設備、木工車床、選礦設備、工控系統(tǒng)及裝備電子產品制造設備、搖臂鉆床、銑床
等領域。